k*1様 真空管アンプ/6AQ5シングル・アンプ/6AR5兼用(自作品)/予備球 k*1様 真空管アンプ/6AQ5シングル・アンプ/6AR5兼用(自作品)/予備球
(3082件)
Pontaパス特典
サンキュー配送
15370円(税込)
154ポイント(1%)
Pontaパス会員ならさらに+1%ポイント還元!
送料
(
)
3082
配送情報
お届け予定日:2026.04.12 18:30までにお届け
※一部地域・離島につきましては、表示のお届け予定日期間内にお届けできない場合があります。
ロットナンバー
9184553361
お買い物の前にチェック!
Pontaパス会員なら
ポイント+1%
ポイント+1%
商品説明










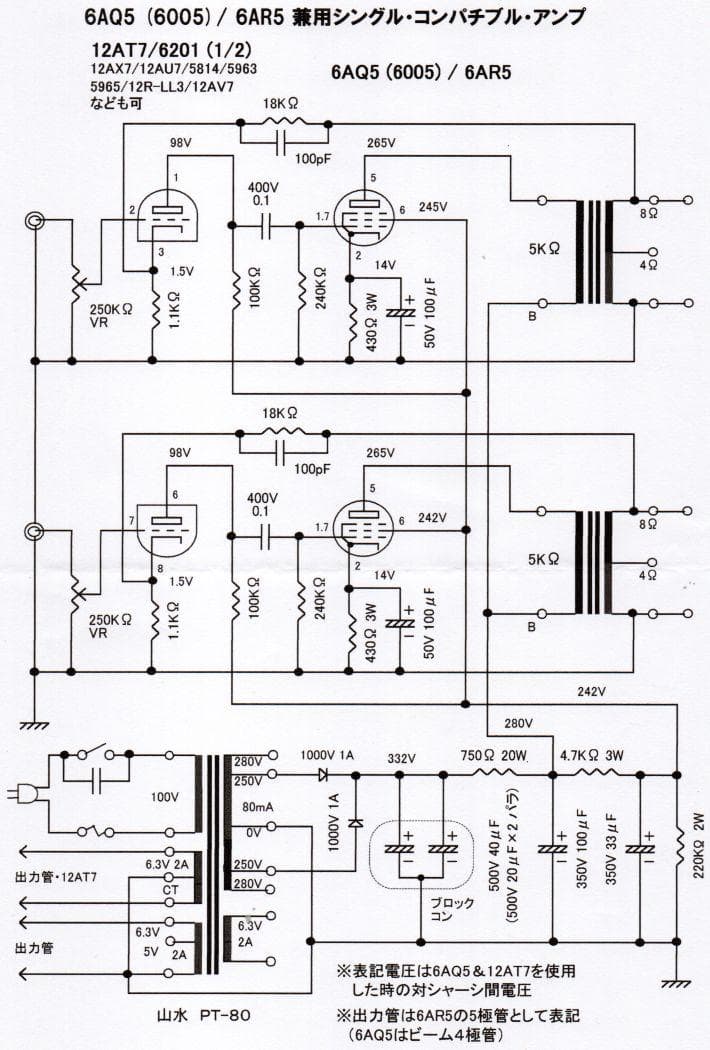
■6V6と同じ電気特性のMT管6AQ5(6005)を使った、完成したばかりの自作のシングル・アンプです。出品のため製作しました。\r■今回は、出品前に6AQ5と6AR5の兼用のコンパチブル・アンプに変更しました。回路定数は、ほぼ6AR5に合わせていますが、6AR5の場合は出力トランスの1次側が7KΩが良いのですが、5KΩでも良しとします。\r■6AQ5としては、自己バイアス抵抗は、もう少し低いほうが良いのですが、電源トランスのB電源容量が80mAのため、プレート電流を抑えて動作を軽くするために430Ωとしました。(この値で6AR5もそのまま挿し替えて兼用できます)この時の6AQ5の動作ですが、この回路だと第2グリッド電流が約2mA流れますので、プレート電流は約30mAとなり、6AQ5としては軽い動作ですが、最大出力はちょうど3Wです。6AR5も同じくらいの出力になります。6AQ5使用で最大出力時の入力感度は約0.8Vでした。プレート電流をもう少し多くすれば4W以上の出力が出るのですが、6AR5兼用なので3Wで十分です。\r■初段管は12AT7(6201)を基準管としましたが、この回路定数のままで、各部の電圧配分と入力感度は変わりますが、12AX7や、12AU7、5814、5963、5965、12R-LL3、12AV7などもそのまま差し替え出来るよう、プレート抵抗を100KΩ、カソード抵抗を1.1KΩとしました。\r■適応スピーカーは6~8Ωです。\r■ハムはスピーカーに耳を押しあてても全くの無音です。\r■出来るだけ能率の高いスピーカーを使用してください(90dB以上)\r■6AR5でも聞きたいときは6AR5は別にお求めください。\r■高級な部品は使用していませんが、音の傾向は6V6に似ていますがシャープさが加わった聴きやすい真空管らしい音です。\r■予備球として6AQ5と、12AT7を各1本付けておきます。\r■木枠は手作業によるもので塗装に少しムラがあります。\r■裏蓋はありません。\r■自作者の責任として回路図を添付します。\r■このアンプの詳細はブログでも紹介しています。\rhttps://ameblo.jp/hirochan-amp/entry-12952299992.html
| カテゴリー: | テレビ・オーディオ・カメラ>>>真空管アンプ>>>アンプ本体 |
|---|---|
| 商品の状態: | 未使用に近い","数回使用し、あまり使用感がない |
| 配送料の負担: | 送料込み(出品者負担) |
| 配送の方法: | 佐川急便/日本郵便 |
| 発送元の地域: | 茨城県 |
| 発送までの日数: | 2~3日で発送 |
レビュー
商品の評価:




4.5点(3082件)
- ちゃんたい8888
- マンション住まいのため出力の控えめなものを探していました。日中でもそれなりの常識的音量で聴いています。メインのプリメインアンプはありますがたまに電流を流す程度で稼働は少なくなりました。 製品に関しては組み立ててみようと思いましたがネットの基盤、部品の写真を見て感心し完成品を購入しました。 スピーカーはB&Wの小型ですがアンプと相性が良いのか十分に満足できました。 暇があればダイアトーンにつないで試してみたいです。 よい買い物でした。
- putaro0412
- アンプのパワーについては期待通りで、自宅のタンノイも余裕で鳴らすことができました。音質も決して悪くなく自然な音でクラシック音楽を楽しめます。 しかし、電源を入れて30分もするとチリチリというノイズが気になります。 ボリュームをゼロにしてもスピーカーからノイズが出ています。 電源アダプタの問題ではないかと推測しますが、何かいい方法はないものでしょうか? 他の皆さんのレビューを見る限りでは代替品は期待できそうもありません。 お店の方で何か知恵があれば教えて欲しいです。
すべて見る
お店の情報
7,367
連絡・応対
4.3
配送スピード
4.3
梱包
4.3










