三菱インバータ学習マニュアル教材.動画解説付 三菱インバータ学習教材
(3090件)
Pontaパス特典
サンキュー配送
17284円(税込)
173ポイント(1%)
Pontaパス会員ならさらに+1%ポイント還元!
送料
(
)
3082
配送情報
お届け予定日:2026.04.20 10:46までにお届け
※一部地域・離島につきましては、表示のお届け予定日期間内にお届けできない場合があります。
ロットナンバー
8609769521
お買い物の前にチェック!
Pontaパス会員なら
ポイント+1%
ポイント+1%
商品説明


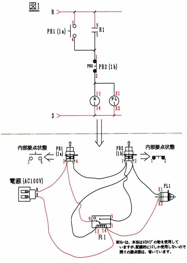
OMD SYSTEM.COM社製【三菱インバータ学習・マニュアル/教材パッケージ】販売定価39800円の教材です。↓YouTube検索キーワード↓[三菱インバータ omd]にて検索して頂けると概要内容の動画が、ご覧頂けます。三菱インバータFR-D700.E700シリーズ、お使いになりたい方やインバータ制御の基本を学びたい方に持ってこいです。「実務で、制御設計をしていたら必ず使う制御機器といったらモーターではないでしょうか!?標準のモーターを使って自由自在に回転速度制御したい方におすすめの教材です。今の三菱インバーター安価でかなり優れものです。回転速度が遅くなってもトルクを維持できる機能など、多彩な用途で使えます。マニュアル&動画マニュアルのみとなります」◎三菱インバータ学習教材1.マニュアル1冊2.マニュアルを動画で説明したCD→50分収録3.パラメータ設定方法(別紙)4.エラー時の原因と対策(別紙)
| カテゴリー: | 本・雑誌・漫画>>>本>>>語学・辞書・学習参考書 |
|---|---|
| 商品の状態: | 新品、未使用","新品で購入し、一度も使用していない |
| 配送料の負担: | 送料込み(出品者負担) |
| 配送の方法: | レターパック |
| 発送元の地域: | 大阪府 |
| 発送までの日数: | 1~2日で発送 |
レビュー
商品の評価:




4.4点(3090件)
- matts
- ずっと気になっていた一冊です。幼稚園・小学校でのおはなし会に向けて購入しました。歌い読みができて、小学生(2年生)は一緒に歌ってくれたりも。少し長めに感じたので、お家で楽しむには年齢はさほど気にはなりませんが、大勢に向けてのおはなし会は、年長さんくらいからがおすすめかなと思います。
- まるこ0904
- テレビで見て買いました♪ すごいです。この、本!! 絵が怖い(気持ち悪い)です。。。 大人でも(私は)嫌でした。 5歳になる男の子ですが、 怖かったみたいで 泣きました!! 夜泣きはしなかったけど。 効果は大ですね。 いい子にしてます。 いつまで続くかわかりませんが…笑
- tarotarotaromaru
- 自分でする歯磨きは好きだけど、仕上げ磨きが嫌いな1歳5ヶ月の息子に買いました。リズムよく読めます。今、子どもに本を持ってもらい、読みながら仕上げ磨きをするのにトライしてます。途中まではうまくいきます。絵本自体は気に入っており、歯磨きの前に持ってきて、とお願いすると持ってきてくれます。
- おりぶ
- 高木ブーさんの優しさが伝わる画集です。メンバー愛ですね。予約して買いました。ドリフ世代にはもちろん、沢山の人が優しくなれそうな絵です。買ってよかったです。
- ブレッド4290
- 大好きな絵本! 発送も早く梱包も丁寧でした(^^)
- 36774388
- 保育士の母の勧めで購入しました。のんたんのはみがきは〜み〜も一緒に購入し、寝る前にこの2冊を読んで、歯磨きをして寝るのが毎晩の習慣です。10か月の娘ですが、この本を読んであげていると夜になったら寝る、というのが何となくわかってきたかな?という感じです(^^)親子のスキンシップに読み聞かせいいですね。
- ぱにゃちょば
- 汚れも目立たず、綺麗な状態で大満足です。 息子が欲しかった絵本大喜びです。
- nonpi_bit
- 人気の本らしいのでチェックしていたんですが、「昆虫ハンターカマキリのすべてフィールド版」のついでに子どものために購入しました。 購入するときに小1のむすめにパソコンで見せたら「幼稚園のときに先生に読んでもらった」とのことです。到着してさっそく読んでみると、大型の本で絵も大きくて子どもにわかりやすく楽しい内容なので納得しました。最後のどんでん返しには大人の僕もやられました。この作者さんはウマイと思います。
- ヨッシー6504
- 図書館で借りて大好きな本になりました。お誕生日プレゼントとして購入しました。
- pepper8mint
- 主治医に紹介されて、近くの書店にはなかったため購入しました。 中古。。。というところに多少のためらいがありましたが、割とキレイな本の状態で届いたので満足しています。
すべて見る
お店の情報
7,367
連絡・応対
4.3
配送スピード
4.3
梱包
4.3










