令和元年度設備設計一級建築士受験対策講座 法適合確認・設計製図セット 設備審査者による本気の設備設計一級建築士「法適合確認」対策|ご飯のお供
(3085件)
Pontaパス特典
サンキュー配送
24750円(税込)
248ポイント(1%)
Pontaパス会員ならさらに+1%ポイント還元!
送料
(
)
3082
配送情報
お届け予定日:2026.04.15 0:36までにお届け
※一部地域・離島につきましては、表示のお届け予定日期間内にお届けできない場合があります。
ロットナンバー
8609723535
お買い物の前にチェック!
Pontaパス会員なら
ポイント+1%
ポイント+1%
商品説明





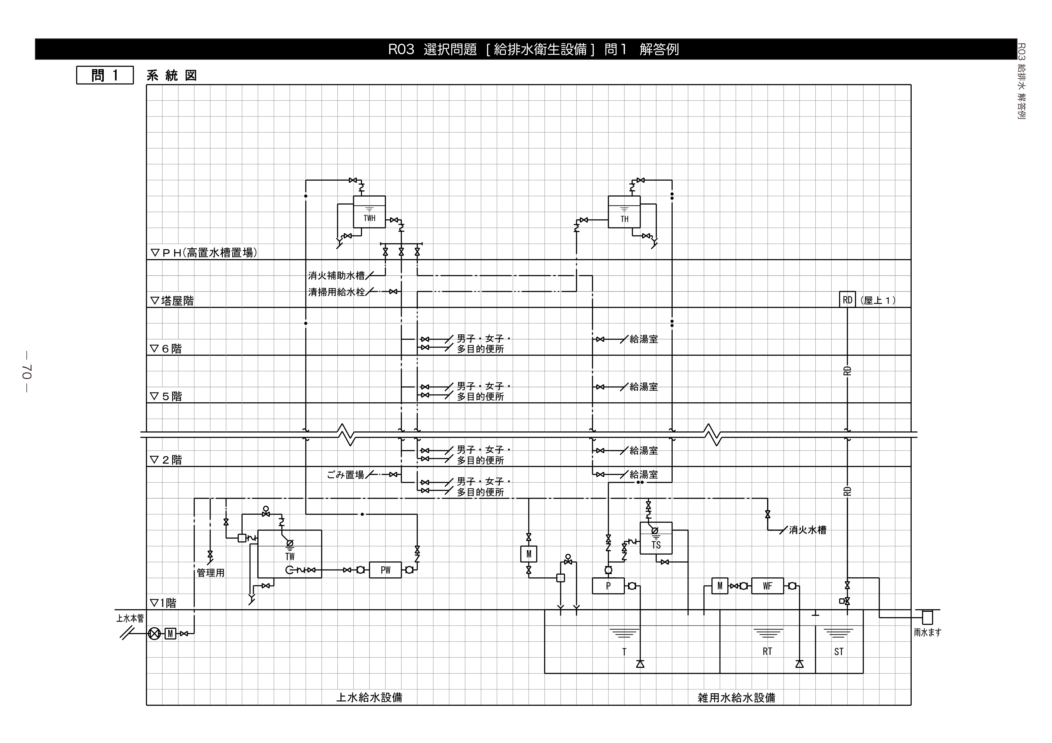
設備設計一級建築士試験の問題集です。この過去問を一通り解くことで一発合格できました!解説も丁寧に書かれています。年度は少し古いですが試験内容はほぼ変わらないので全く問題ありませんでした。 ■法適合確認(平成25〜30年度) 目次●設備設計一級建築士 受験対策講座(法適合) 〜受講の前に〜●平成25年度 修了考査 法適合確認 解答例●平成26年度 修了考査 法適合確認 解答例●平成27年度 修了考査 法適合確認 解答例●平成28年度 修了考査 法適合確認 解答例●平成29年度 修了考査 法適合確認 解答例●平成30年度 修了考査 法適合確認 解答例●参考資料P1~4 非常用の照明装置P5~6 制御器具番号P7 避雷設備の保護レベル 保護レベルに応じた受雷部の配置の表の解説P8 エレベーターのかごおよび昇降路寸法P9 過去に出題された法適合確認問題●各年度の法適合確認の問題集(A3版)と練習用答案用紙(A3版)■設計製図(選択給排水)(平成25〜30年度) 目次●設備設計一級建築士 受験対策講座(設計製図) 〜受講の前に〜●給排水衛生設備の設計製図のポイント●平成25年度 修了考査 設計製図 解答例●平成26年度 修了考査 設計製図 解答例●平成27年度 修了考査 設計製図 解答例●平成28年度 修了考査 設計製図 解答例●平成29年度 修了考査 設計製図 解答例●平成30年度 修了考査 設計製図 解答例●対策問題 設計製図 解答例 ※上記の修了考査の問題と解答は「設計製図」の下記のものが対象となります 設備計画:(必須問題)10問 設備設計:(選択問題)給排水衛生設備 ●参考資料P1 空気調和設備の空調方式の特徴 最大負荷原単位(空調冷熱源設備容量・温熱源設備容量の算定)P2 電力負荷の単位設備容量P3 受変電設備の総容量におけるトランス台数の考え方P4 過去に出題された設計製図問題(給排水衛生設備の製図)●各年度の設計製図の問題集(A3版)と練習用答案用紙(A3版)…………………………少ないですが原本に書き込みあり(解答にアンダーライン程度)※中古品のため、ご理解・ご了承いただける方ご購入でお願い致します。#設備設計一級建築士 #資格試験
| カテゴリー: | 本・雑誌・漫画>>>本>>>語学・辞書・学習参考書 |
|---|---|
| 商品の状態: | 目立った傷や汚れなし","細かな使用感・傷・汚れはあるが、目立たない |
| 配送料の負担: | 送料込み(出品者負担) |
| 配送の方法: | 佐川急便/日本郵便 |
| 発送元の地域: | 東京都 |
| 発送までの日数: | 2~3日で発送 |
レビュー
商品の評価:




4.2点(3085件)
- パライソ3029
- 4歳息子のために購入。文中の言葉の響きも楽しいので聞いてる本人ももちろん読んでいても楽しいです。
- おどりゃー
- 購入時1歳8ヶ月の息子。最初は怖い音がそもそもどんな音かわかってなかったのですが、数ヶ月後には保育園で習ったのか、ヒュードロドロ〜はお化けの出る音と理解したみたいで、こわいお〜と言いながら、こっちを怖がらせようとして遊ぶようになりました。他のページと音はまだそれが何なのか理解できないみたい(狼男見て、ワンワン!と喜んでます)ですが、音がなるので最初はボタン押すのが楽しくてよく本棚から出して来てました。今はちょっと飽きてしまってあんまり触らなくなっちゃいましたが、これから色々理解していったらまた楽しめるかなーと思うので、買ってよかったです。
- LILO3389
- ずっと一緒だった猫とお別れしてもうすぐ5ヶ月が経つ。まだまだ悲しかった気持ちを大きく考える様に変えてくれて、少し悲しみが和らぎました。 また必ず逢える、そう思えました。
- mansory8888
- 5歳の娘が喜んで読んでます。肌身離さずの様な状態です(笑)
- Mr.セメント
- 良いですが、使える時期はとても短い。子どもの成長は早い。
すべて見る
お店の情報
7,367
連絡・応対
4.3
配送スピード
4.3
梱包
4.3










